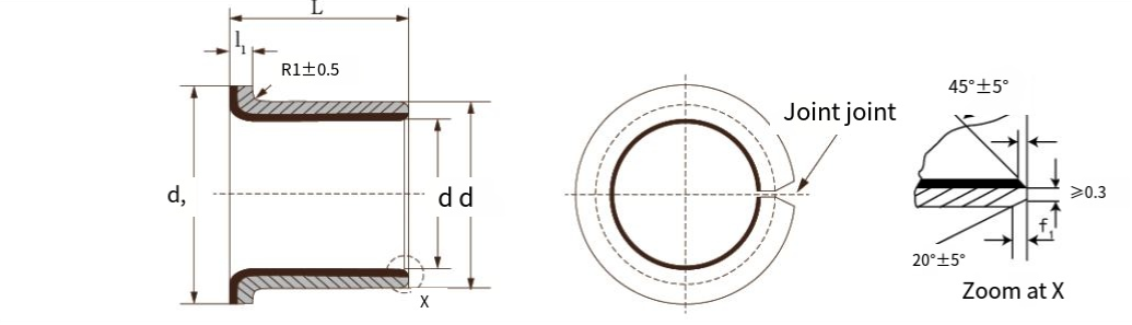
Łożysko samosmarujące z odwróconą cewką typu HZ-1/A zostało zaprojektowane tak, aby zapewnić wyjątkową trwałość i niskie koszty utrzymania w środowiskach o dużym obciążeniu. Łożysko to, przeznaczone do maszyn przemysłowych, układów samochodowych i ciężkiego sprzętu, łączy w sobie strukturę z odwróconą cewką w połączeniu z osadzonymi stałymi smarami, zapewniając stałą wydajność bez zewnętrznego smarowania.
Kluczowe cechy HZ-1/A obejmują wysoką nośność, odporność na korozję i wydłużoną żywotność w ekstremalnych temperaturach. Jego samosmarująca konstrukcja minimalizuje tarcie i zużycie, redukując przestoje i koszty konserwacji. Kompaktowa, lekka konstrukcja łożyska sprawia, że nadaje się ono do zastosowań, w których wydajność przestrzenna i waga mają kluczowe znaczenie.














