Łożysko kołnierzowe HZ-GFM łączy w sobie nośność promieniową z kontrolą wyrównania osiowego dzięki zintegrowanej konstrukcji kołnierza. Wykonany z polimerów stabilizowanych termicznie, wytrzymuje okresowe obciążenia udarowe i niewspółosiowość w połączeniach samochodowych, amortyzatorach HVAC lub systemach transportu materiałów.
Podstawowe funkcje
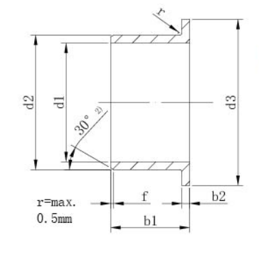
Konstrukcja kołnierza: zapobiega dryftowi osiowemu; ułatwia montaż w obudowach z miękkich materiałów.
Materiał: Wzmocniony włóknem szklanym PA66 lub PEEK zapewniający odporność na podwyższone temperatury (krótkotrwale do 180°C).
Instalacja: Kompatybilny z narzędziami wciskanymi (np. serii PT-1350) w celu szybkiego montażu.
Zastosowania: Obudowy pomp, prowadnice siłowników elektrycznych i rolki przenośników wymagające stabilności w dwóch kierunkach.















